[Download 20+] Schema Elettrico Ape 50 Tl5t
Download Images Library Photos and Pictures. Impianto Elettrico Ape 50 Europa In Vendita Ricambi Per Altri Veicoli Ebay Impianto Elettrico Electrical Wiring Ape 50 Tl3 Avviamento Elettrico Eur 110 00 Picclick Fr Diagram Interruttore Differenziale Salvavita Wiring Diagram Full Version Hd Quality Wiring Diagram Diagramreklamnudaperla Nudaperla It Gr Cavetti Ape 50 Likesx Com Annunci Gratuiti Case

. Operation And Maintenance Piaggio Ape 50 Mod Tl6t Italian Vespadoc Schema Elettrico Ape 50 Tl6t Fare Di Una Mosca Ape Mod A Ab Ac D Vespa Mauro Pascoli
Impianto Elettrico Electrical Wiring Ape 50 Tl3 Avviamento Elettrico Eur 110 00 Picclick Fr
Impianto Elettrico Electrical Wiring Ape 50 Tl3 Avviamento Elettrico Eur 110 00 Picclick Fr

Diagram Fiat 126 Bis Workshop Wiring Diagram Full Version Hd Quality Wiring Diagram Diagramsnex Gestionnaire Exos Fr
Diagram U00bb Luci Psichedeliche Schema Wiring Diagram Full Version Hd Quality Wiring Diagram Visualdiagramvostomachinery Vostomachinery Fr
Diagram U00bb Luci Psichedeliche Schema Wiring Diagram In Pdf And Cdr Files Format Free Download Wiring Diagram Diagramaciontotalcultureweb Cultureweb Fr
Ets E Ape 50 5 Bobine Statore Per Vespa Pk 50 125 Auto E Moto Moto Accessori E Componenti
Adidas Alphabounce Beyond Burberry
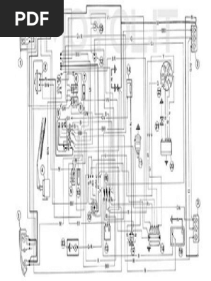
Scema Ape 50 Fl3 Telaio Tl5t 1996 1999
Impianto Elettrico Ape 50 Ottieni Le Migliori Offerte Ora Top 100 Recensioni
Gr Cavetti Ape 50 Likesx Com Annunci Gratuiti Case
Operation And Maintenance Piaggio Ape 50 Mod Tl6t Italian Vespadoc
Http Www Padovanet It Sites Default Files Attachment C 1 Allegati 17139 Allegato Pdf
Statore Volano Per Ape 50 Rst Fl3 Cross 256309 Vendita Ricambi E Accessori Scooter Vespa E Moto
Schemi Impianti Elettrici Idm Su Ape 50 Telaio E Impianto Elettrico 2 Tempi
Targa Florio E Le Corse Siciliane Page 120 Histoires Du Sport Automobile Sport Forum Sport Auto Forum Auto
Schema Elettrico Ape 50 Tl6t Fare Di Una Mosca
Manuale Per Stazioni Di Servizio Ape 50 Manuale Per Stazione Di Servizio Ape 50 Vendita Ricambi
Ape 50 Macchine E Moto In Vendita In Lombardia Kijiji Annunci Di Ebay
Diagram Interruttore Differenziale Salvavita Wiring Diagram Full Version Hd Quality Wiring Diagram Diagramreklamnudaperla Nudaperla It
Diagram Fiat Tipo 2016 Wiring Diagram Full Version Hd Quality Wiring Diagram Adhocdatabase Chagny Se Transforme Fr
Scema Ape 50 Fl3 Telaio Tl5t 1996 1999
Ape50 Elaborato Piaggio Schema Elettrico Ape 50 Originale
Ape50 Elaborato Piaggio Schema Elettrico Ape 50 Originale
Regolatori Di Tensione Per L Ape Car Della Piaggio Guidomoto Specialista Vespa Lambretta Ciao E Vintage
Manuale Per Stazioni Di Servizio Ape 50 Ape P50 Manuale Per Stazioni Di Kj Johnson
Manuale Per Stazioni Di Servizio Ape 50 Iphone Guide
Diagram U00bb Luci Psichedeliche Schema Wiring Diagram Full Version Hd Quality Wiring Diagram Bathroomdiagramsvirgilioempoli Virgilioempoli It
Centralina Accensione Bobina Originale Piaggio Ape Vespa Px Cosa Pk Hp Fratelli Schiattarella Moto Napoli
Komentar
Posting Komentar